你好,我是钟敬。
上节课我们介绍了迭代二的内容和目标。接下来几节课,咱们会通过实现几个新增的功能,学习DDD中的一个重要模式“聚合”(Aggregate)。今天,我们先来理解聚合的概念和领域建模,为我们后面几节课实现聚合打好基础。
到现在为止,我们已经识别出不少业务规则了。不过,其中有一些并不像表面上看起来那么容易维护,有时会被莫名其妙地破坏,而且这种破坏不容易发现。聚合就是保护业务规则的一种有效手段。
聚合的概念
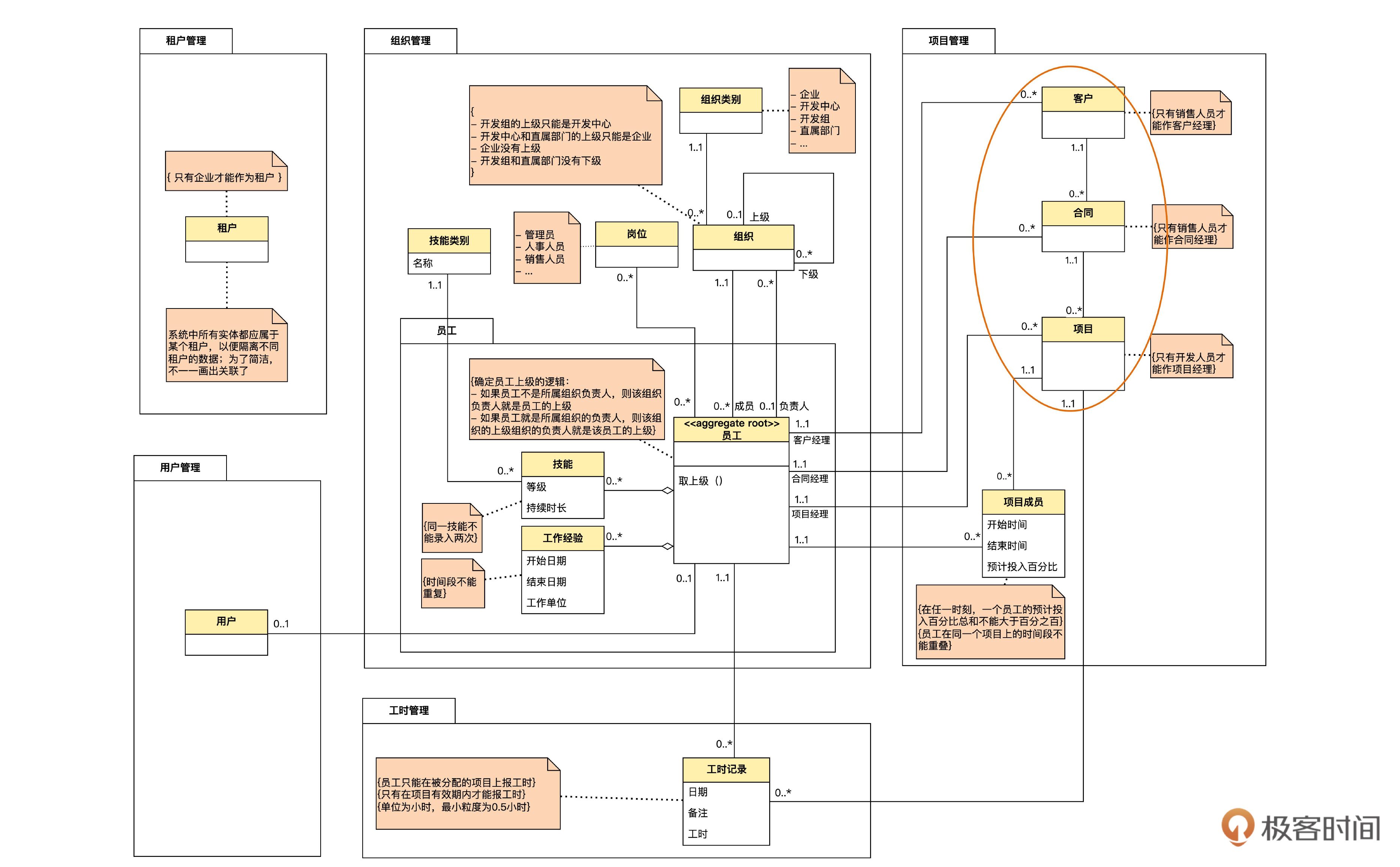
现在我们来考虑怎么为员工的工作经验和技能建模。从业务角度,这两者其实都是员工信息的一部分。我们先从迭代一的模型中找到员工实体的位置,如下图。
然后,我们为员工添加上工作经验和技能两个实体,如下图。
在图里,我们先暂时忽略掉组织管理以外的其他模块。技能和工作经验与员工都是多对一的关系,这个容易理解。
另外,我们增加了技能类别实体,用来定义一共有多少种技能。也就是说,可能有Java、SQL、Linux等很多种技能,这些都会定义在技能类别里面,然后录入员工技能的时候,从列表中选择就可以了。
这里比较关键的问题是和技能、工作经验有关的两个业务规则。我们先看和技能有关的规则:“同一技能不能录入两次”。比如说,小张给自己录入了一遍“10年,高级Java技能”,那么他就不能再新增一条“5年,中级Java技能”,而只能修改原来那条Java技能,或者删除原来的,再新增一条。这个规则很合理吧?
顺便说一下,这种业务规则在员工的整个生命周期都是有效的,不会有时候有效,有时候又无效了。这种规则在术语上称为“不变规则”(invariant)。
问题在于,在并发的环境下,这个不变规则可能会被破坏。现在咱们想象一下,假设现在小张还没有Java的技能,有两个人事部门的同事A和B同时录入小张的技能。操作顺序是这样的。
- A查询到小张没有Java技能。
- 同一时刻,B也查询到小张没有Java技能。
- A为小张添加Java技能并提交。这时,从A的线程来看,小张还没有Java技能。
- 在A的线程还没有把数据保存到数据库那一刻,B也提交了小张的Java技能。这时,从B的线程来看,小张也还没有Java技能。
- A和B的数据都保存到了数据库,这时,数据库中,小张就有了两条Java技能记录,不变规则就被破坏了。
那么,怎么避免破坏不变规则呢?
凡是并发引起的问题,你可能已经想到要用事务和锁了。问题是锁住什么。对于某些不变规则,锁住一条记录就可以解决问题。不过对我们现在这条规则而言,锁住一条技能记录是没有用的,因为新建的时候数据库里还没有记录呢。
问题的关键在于,从业务角度,小张的员工信息作为一个整体,不应该同时被两个人操作。从技术角度来说,不应该被两个线程同时操作。也就是说,只有一个人做完了,另一个人才能做。那么怎样保证这一点呢?
这就需要在一个人操作时,用事务把包含技能在内的员工信息作为一个整体锁起来,等到这个事务提交后,锁被释放,另一个人才能操作。这也可以说成“员工和技能都在同一个事务边界之内”。
我们知道,事务有 ACID 特性。一般说“要么都成功,要么都失败”,说的是 A,也就是原子性(Atomicity),而这里强调的是 I ,隔离性(Isolation),以及 C,一致性(Consistency)。也就是说,事务之间必须相互隔离,不能互相干扰,从而保证数据是一致的。具体的实现方法,我们会在后面的课程讲解。
现在我们归纳一下,员工和技能这两个实体有两个重要特征。
第一,具有整体与部分的关系。也就是说,逻辑上,员工信息是整体,而技能信息是员工信息的一部分。
第二,具有不变规则,而且这种不变规则在并发的时候可能被破坏。要防止规则的破坏,仅仅锁住一条技能记录是不够的,必须把员工和所有技能作为一个整体锁住才能解决。或者说,员工和他的所有技能确定了一个事务边界。
具有这样特征的一组领域对象,在 DDD 里就叫做一个聚合(Aggregate)。
工作经验和员工也具有类似的关系。其中,工作经验是员工信息的一部分,这一点容易理解。那么“工作经验的时间段不能重复”这条规则在并发的情况下会怎样被破坏呢?你可以先思考一下,在第16课里我们会讲到。
聚合的表示法
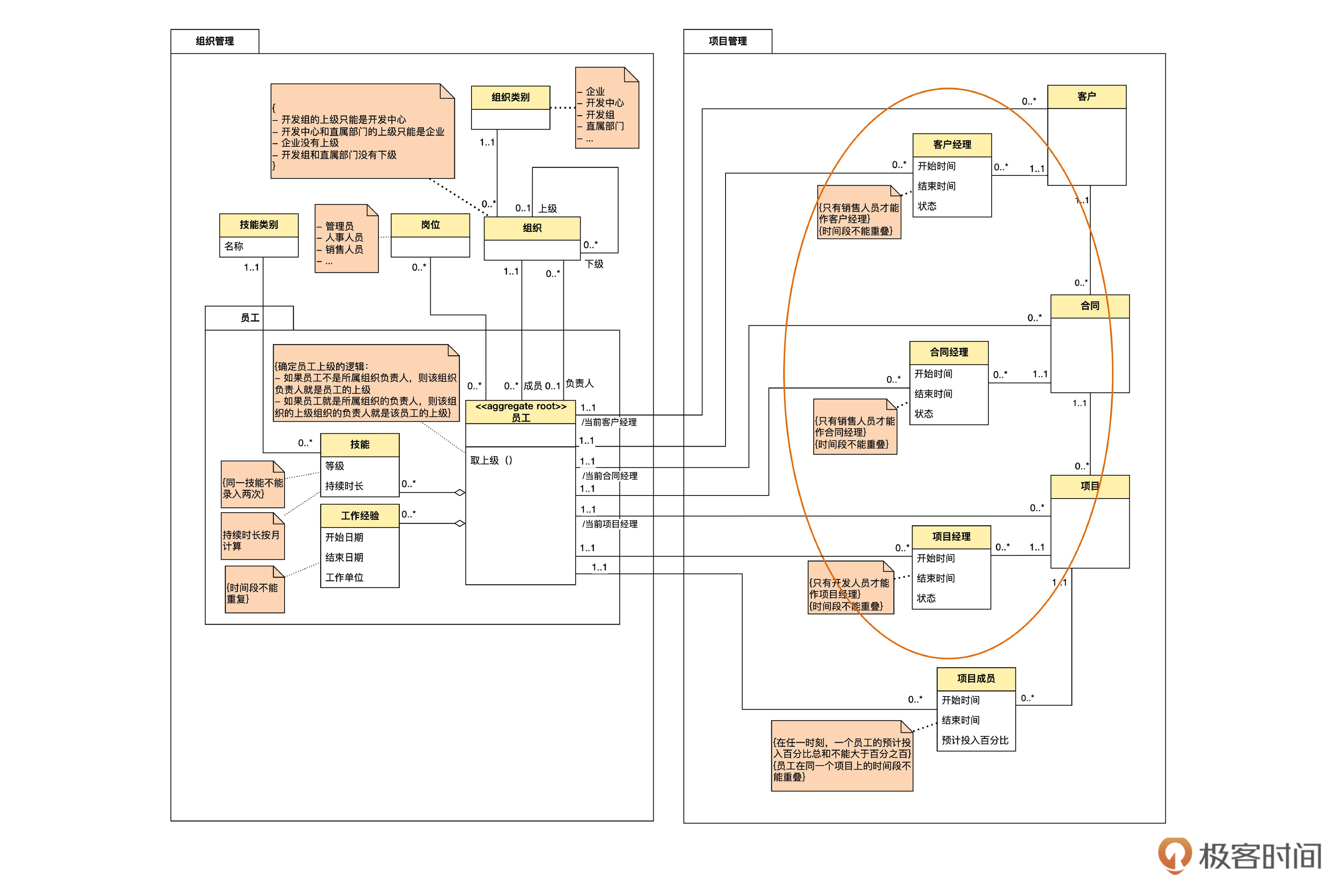
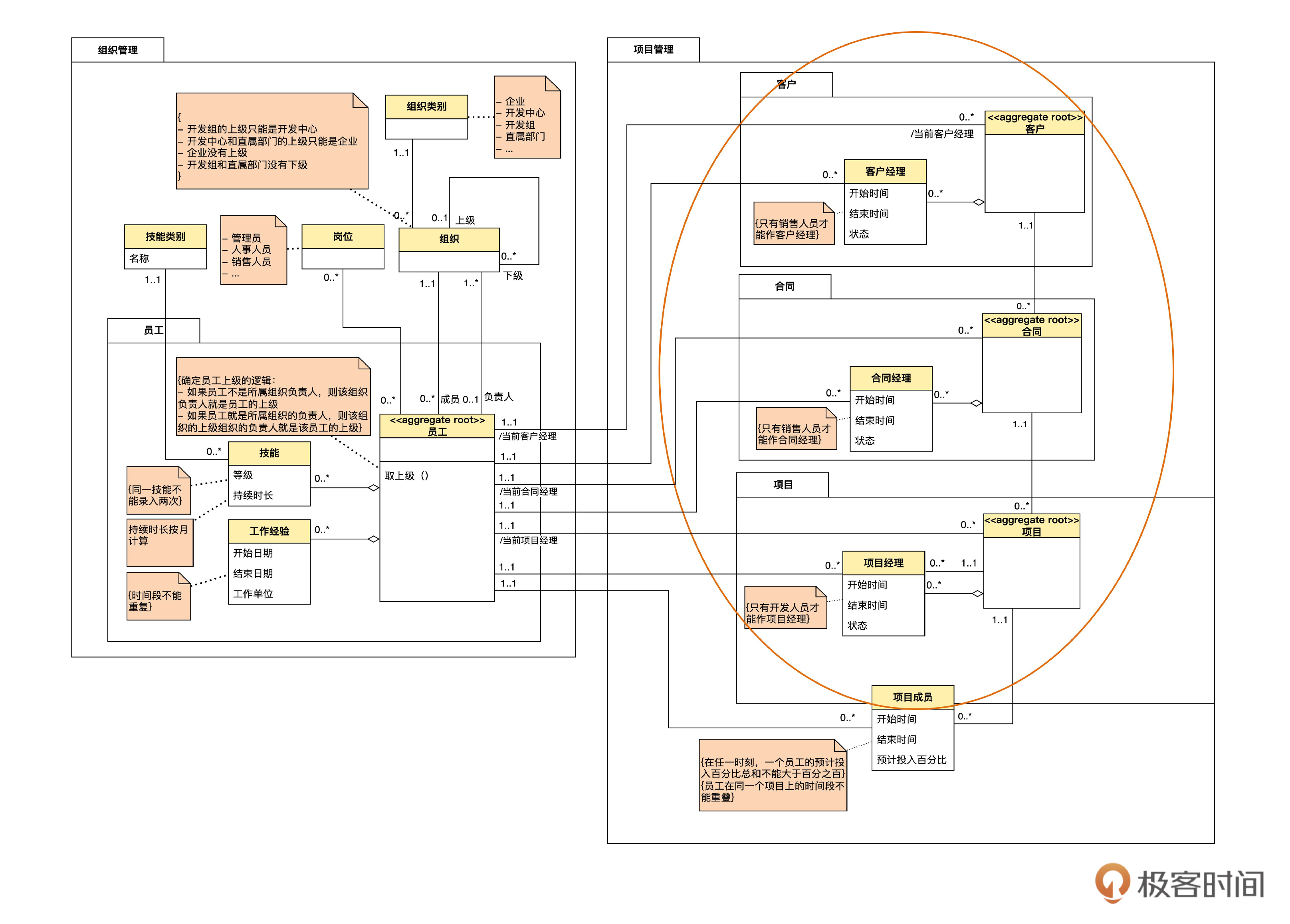
下一步,我们把员工、技能和工作经验的这种聚合关系,在领域模型中显式地表达出来,如下图。

让我们看看这个图是怎么表达的。
首先,在员工实体名字上方,我们加了一个 <<aggregate root>> 的标识,中文是聚合根的意思。在一个聚合里,像员工这样代表整体的实体就是聚合根。一个聚合只有一个聚合根。
另外,<<aggregate root>> 外面这个像书名号一样的符号,其实不是书名号,而是两个小于号和两个大于号。这个符号在UML里叫做 stereotype ,中文译作“衍型”。这是UML里用来扩充符号意思的一种机制。
比如说,表示员工实体的方框在UML中本来用来表示“类”。加上<<aggregate root>>以后,就衍生出了“表示聚合根的类”的符号。所谓“衍型”就是“衍生出来的符号类型”。这种机制我们后面还会用到。
再看表示员工和技能一对多关联的那条实线。在员工一端,变成了一个空心棱形。这种符号专门表示整体部分关系,有菱形的一端是代表“整体”的对象,另一端是代表“部分”的对象。整体部分关系是关联关系的一种特例。
另外,原来这一端的 “1..1” 被删掉了。因为,对于这种整体部分关系而言,这一端必然是 “1..1”。你可以思考一下为什么。虽然写上 “1..1” 也对,但由于必然是,所以出于简洁的原因,就可以不写了。
最后,我们用一个包把这个聚合中的类包起来,从而可以一眼看出这个聚合的边界。一般我们约定,聚合包的名字和聚合根的名字是一样的。
识别更多的聚合
现在我们继续看一下另外几个需求:要为客户经理、合同经理以及项目经理保存变更历史。比如说,要记录在什么时间段,某个客户的客户经理是张三,什么时间段又变成了李四,当前客户经理是哪一位。通过这几个需求看看能否找到更多的聚合。
让我们先看看目前模型的样子。
画红圈的部分就是我们要改进的地方。增加了三个变更信息后,变成下面的样子,看看和你心目中的一不一样?
在这个图里暂时省去了没有直接关系的模块。三个关联是类似的,我们以客户经理为例来说明。
客户经理的变更信息,实际上是员工和客户之间的一种多对多关联。也就是说,一个员工可以作为多个客户的客户经理,而一个客户,在不同的时间,也可以有多个不同的客户经理。我们在上一个迭代学过,一个多对多可以拆成两个一对多。对于这个需求,客户经理实体就是用来表达这个多对多关联的。
注意到图中“时间段不能重叠”这个不变规则没有?这个规则也是不能仅仅靠锁住一条记录就可以保证的。此外,客户经理的信息,可以看作客户信息的一部分。所以,客户和客户经理也构成了聚合。合同经理和项目经理也类似。
这里还有一个小问题。客户和员工之间原来直接的关联还存在,不过角色名由“客户经理”改成了“/当前客户经理”。按理说,客户经理实体中,状态为“有效”的就是当前客户经理,本来不必保留原来这条关联了。
不过,一般来说,业务人员最关心的就是当前客户经理,历史变更信息只在少数情况下才用到。所以,领域专家希望强调当前客户经理这个概念。因此,我们保留了这个关联。
这个关联是可以由客户经理推导出来的,称为“派生关联”(derived association)。仔细看一下,在“/当前客户经理”前面有一个斜杠。在 UML中,凡是前面有斜杠的,就表示是派生出来的内容。
识别出聚合以后,模型图变成下面的样子。
进一步理解聚合概念
现在,相信你对聚合的基本概念和建模技术已经有了一定了解了吧。下面我们再进一步思考一下。
前面我们提到,聚合的两个基本特征是整体部分关系和不变规则。由此又可以得出几个推论。
首先,作为部分的实体,只能属于一个聚合根,不可能属于多个聚合根。比如说,一条技能信息,只能属于一个员工,不能属于多个员工。又比如说,我的手只能是我一个人的手,不能同时又是其他人的手。
其次,我的手是不能“跳槽”的。不能今天是我的手,明天就变成了别人的手。也就是说,一个聚合的一部分,不能再变成其他聚合根的一部分。
再次,由前两条自然可以推出,聚合根被删除,那么聚合中的所有对象都会被删除。
最后,还有一个“标识”的问题。在业务上,为了识别每个实体,实体必然要有一个标识。例如,人的标识,可以是身份证号。如果这个人是学生,那么他的标识也可以是学号。注意,这里说的标识是一个业务概念,而不是技术概念,和数据库表中常见的没有业务概念的ID是不同的。
对于聚合而言,聚合根要有全局的唯一标识,而从属于聚合根的实体只需要有局部于聚合的标识。例如,员工是聚合根,员工号是全局标识。而工作经验没有必要进行全局编号,只需要在聚合内部编个号就可以了。例如,001号员工的第 1 份工作经验、第2份工作经验等等。
**我们再来考虑一下聚合的作用。**聚合最基本的作用,是为一组具有整体部分关系的对象维护不变规则。而当我们掌握了这种建模技术以后,还可以发现其他一些层面的作用。
首先,聚合不仅是“被动地”实现不变规则,它还为我们提供了一个新的视角,可以更细致地和业务人员讨论业务规则。从这个视角去思考过去做过的系统,我们很可能会发现一些遗漏的业务规则。
其次,开发人员过去一般认为事务只是一个技术概念。现在我们可以看到,事务其实是来源于业务规则的,本质上是个业务问题。也就是说,聚合在业务规则和事务之间建立了起联系。
再次,我们在模型上为每个聚合建了一个包,可以认为,聚合是一种特殊的模块。这样,模型的层次就变得更清晰了。同时,我们也可以把聚合当作一个粗粒度的概念单位进行思考,降低了认知负载。
最后,不少开发人员编程时觉得事务范围的大小不好把握。聚合作为一个事务边界,给出了事务范围的下限,为开发时确定事务范围提供了参考。
总结
好,这节课的主要内容就讲完了,下面来总结一下。
聚合是 DDD 里的一个重要模式,主要作用是维护不变规则。如果一组对象具有整体部分关系,并且需要维护整体上的不变规则,那么就可以识别为一个聚合。其中表示整体的那个实体叫做聚合根。
为了在模型中表示聚合,我们使用了叫做<<aggregate root>>的衍型来表示聚合根;在关联上用空心菱形符号表示整体部分关系;并用一个包把聚合包起来,包的名字一般和聚合根的名字相同。另外,在识别客户经理等聚合的时候,我们还介绍了派生关联。
通过整体部分这一特征,我们还可以推出其他几个特征,包括:表示部分的实体只能属于一个聚合,并且不能再变成其他聚合的一部分;聚合根被删除的话,整个聚合的实体都要被删除;聚合根有全局标识,非聚合根实体只有局部标识。
聚合的作用,除了确保不变规则以外,还为我们增加了一个分析业务规则的视角,将业务规则和事务联系起来,增加了模型的清晰度,并且使开发人员更容易确定事务的范围。
思考题
1.能否在你的实际项目中找到不变规则的例子,这些规则有没有被恰当地保护起来?
2.仅仅依靠数据库提供的事务机制,可以保证这种不变规则吗?为什么?
好,今天的课程结束了,有什么问题欢迎在评论区留言,下节课,我们开始对今天的模型进行实现。