你好,我是钟敬。

上节课,我们学习了泛化的数据库设计,这节课我们接着看看怎样为泛化编写代码。

泛化在程序里,体现为一套有继承关系的对象,而在数据库里体现为若干张表。所以,泛化的编码主要解决的问题就是,怎么把内存中的对象和数据库表里的数据进行相互转换。这个问题解决了,其他部分就和常规的面向对象编程没有什么区别了。

同一个泛化结构,在内存中的对象布局是一样的,但根据不同的数据库设计策略,数据库里的表结构却是不一样的,上节课我们讲过主要有三种。这就造成了泛化关系的持久化问题,比关联关系的持久化要更加复杂一些。

你应该已经想到了,这里说的内存和数据库数据的相互转换问题,是在仓库(repository)里解决的。或者说,仓库屏蔽了不同的表结构的差别,我会结合工时项和客户的例子带你体会这一点。

为领域模型编码

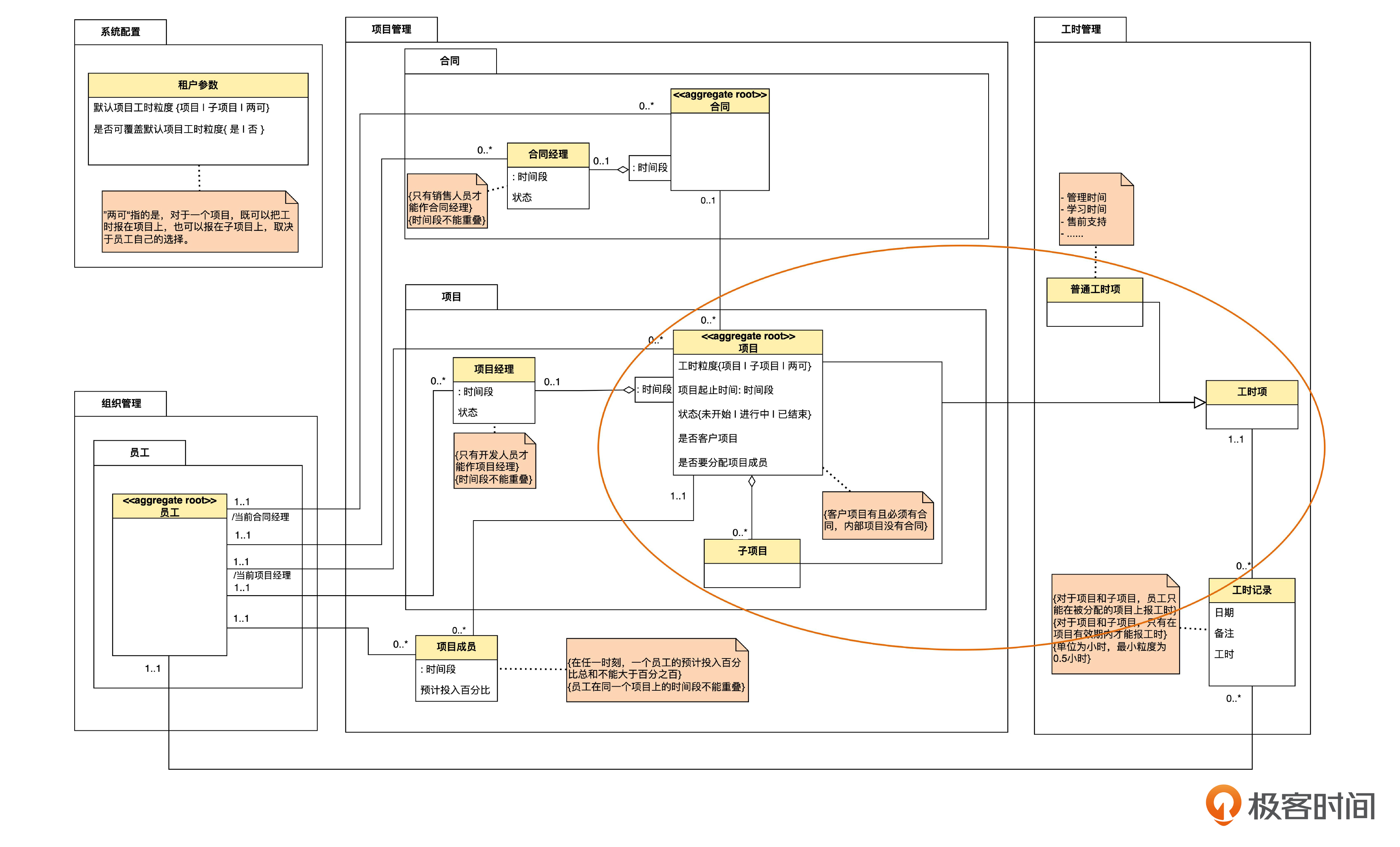
我们首先为工时项以及它的子类编写领域层代码。之前说过,我们要养成边看领域模型,边写代码的习惯,所以先回顾一下领域模型。

本来,传统上的泛化既可以用继承来实现,也可以用不同的属性值来实现。不过根据 DDD 的思路,我们在领域建模的时候,已经有意识地考虑了领域模型和程序实现一致性,所以,对于上图里的泛化,我们直接用继承来实现就可以了。

那么,在程序设计上,应该把工时项建成一个父类吗?

如果用 Java 的话,我们发现无法做到这一点。为了说明这个问题,我们画一下设计模型图。

上面就是设计模型的类图(后面简称为设计图)。

我们首先回味一下设计图和领域模型图的一个区别。领域模型图里只有带实线的空心箭头,而设计图里有实线和虚线两种空心箭头。设计图里的实线箭头代表继承,也就是 Java 里的 extends;虚线箭头代表对接口的实现,也就是 Java 里的 implements。使用继承还是实现,都是代码设计中的考虑,不是业务概念,因此在领域模型图里不需要区分,所以在领域模型图里只需要表示“泛化”的实线箭头。

好,我们继续讨论是否可以用类的继承来实现这个泛化体系的问题。本来,如果没有 SubProject (子项目)的话,可以让 EffortItem(工时项)成为 AggregateRoot(聚合根)的子类,让 Project(项目)和 CommonEffortItem(普通工时项)继承 EffortItem。EffortItem类里面有 EffortItemId(工时项ID)属性。

但是,如果让 SubProject 也继承 EffortItem 类的话,SubProject 就成了聚合根,问题在于 SubProject 并不是聚合根。所以 SubProject 只能继承 AuditableEntity(可审计的实体)。由于 Java 不支持多继承,我们就没有别的选择了,只能把 EffortItem 设计成一个接口,而公共的 EffortItemId 属性只能放在各个子类里了。

AuditableEntity 和 AggregateRoot 是技术实现时候的考虑,没有业务概念,所以在领域模型图里并不存在。

接下来,我们再复习一下有关设计图的其他几个知识点。

设计图里用了英文,目的是接近代码实现;领域模型图里用中文,目的是便于和领域专家交流。要根据词汇表进行中英文的转换。

在设计图里有权限修饰符,加号(+)代表 public,减号(-)代表 private,井号(#)代表 protected,波浪号(~)代表包级私有。而领域模型图里所有属性都是业务可感知的概念,都可以认为是公共的,所以不需要写权限修饰符。

在传统的面向对象方法学里,理论上要根据领域模型图绘制详细的设计图,再进行编码。但在敏捷的实践中,只需要在必要的时候才画部分设计图,多数情况下直接按照领域模型图写代码就行了。我们目前这个设计图只能算是一个示意图。其中省略了getter 和 setter,也省略了所在的包图。

那么,有了设计,领域层的代码实现就比较简单了。 EffortItem 接口的代码是这样。

1
2
3
4
5
6
package chapter26.unjuanable.domain.effortmng.effortitem;

public interface EffortItem {
Long getEffortItemId();
String getName();
}

这应该不用解释了。Project 类的部分代码是后面这样。

1
2
3
4
5
6
7
8
9
10
11
12
13
14
15
16
17
18
19
20
21
22
23
24
25
26
27
28
29
30
31
32
33
34
35
36
package chapter26.unjuanable.domain.projectmng.project;

// imports ...

public class Project extends AggregateRoot
implements EffortItem {

private final Long tenantId; // 租户ID
private final Long effortItemId; // 工时项ID
private String name; // 项目名称
private Period period; // 起止时间段
private Status status; // 项目状态
private Boolean clientProject; // 是否客户项目
private Boolean shouldAssignMember; // 是否要分配人员
private EffortGranularity effoRtGranulArIty; // 工时粒度

// 项目经理
private final Map<Period, ProjectMng> mngs = new HashMap<>();
// 子项目
private final Collection<SubProject> subProjects = new ArrayList<>();

// 构造器 ...

// 实现 EffortItem 接口里的两个方法
@Override
public Long getEffortItemId() {
return effortItemId;
}
@Override
public String getName() {
return name;
}

// 其他方法...

}

我们看到,Project 继承了 AggregateRoot, 同时实现了 EffortItem 接口。EffortItem 的其他几个实现类也是类似的,就不一一展开了。

查询工时项

对于工时项,一个最重要的功能是给定一个员工,查询这个员工可以报工时的工时项列表。这个功能的入口在工时项的应用服务 EffortService 里。

我们先设计一下这个功能的返回值类型。对于报工时的需求,前端只需要得到每个工时项的ID和名称就可以了。我们先编写 EffortItemDTO 来存放这两个属性。

1
2
3
4
5
6
7
package chapter26.unjuanable.application.effortmng;

public class EffortItemDTO {
private Long effortItemId;
private String name;
// 构造器、getter ...
}

然后,把DTO组织在一起,成为返回值类型 AvailableEffortItems。

1
2
3
4
5
6
7
8
9
10
11
12
13
14
15
16
17
18
19
20
21
22
23
24
25
26
27
28
29
30
31
32
33
package chapter26.unjuanable.application.effortmng;
// imports ...

public class AvailableEffortItems {
List<EffortItemDTO> assignments = new ArrayList<>();
List<EffortItemDTO> subProjects = new ArrayList<>();
List<EffortItemDTO> commonProjects = new ArrayList<>();
List<EffortItemDTO> commonEffortItems = new ArrayList<>();

void addItem(ItemType type, Long effortItemId, String name) {
switch (type) {
case ASSIGNED_PROJECT:
assignments.add(new EffortItemDTO(effortItemId, name));
break;
case COMMON_PROJECT:
commoanProjects.add(new EffortItemDTO(effortItemId, name));
break;
case SUB_PROJECT:
subProjects.add(new EffortItemDTO(effortItemId, name));
break;
case COMMON:
commontEffortItems.add(new EffortItemDTO(effortItemId, name));
break;
}
}

// getters ...

public enum ItemType {
ASSIGNED_PROJECT, COMMON_PROJECT, SUB_PROJECT, COMMON
}
}

为了便于前端显式,返回值把工时项分成了分配的项目(assignments)、通用项目(commonProjects)、子项目(subProjects)、普通工时项(commonEffortItems) 4 个列表。

编写了返回值类型,就可以编写查询工时项功能了。下面是应用服务的代码。

1
2
3
4
5
6
7
8
9
10
11
12
13
14
15
16
17
18
19
20
21
22
23
24
25
26
27
28
29
30
31
32
33
34
35
36
37
38
39
40
package chapter26.unjuanable.application.effortmng;

// imports ...

@Service
public class EffortService {
// 项目仓库
private final ProjectRepository projectRepository;
// 普通工时项仓库
private final CommonEffortItemRepository commonEffortItemRepository;

@Autowired
public EffortService(ProjectRepository projectRepository
, CommonEffortItemRepository commonEffortItemRepository) {
// 仓库的依赖注入 ...
}

// 查找员工可用的工时项
public AvailableEffortItems findAvailableEffortItems(Long empId) {
Collection<Project> assignments
= projectRepository.findAssignmentsByEmpId(empId);
Collection<Project> commonProjects
= projectRepository.findCommonProjects();
Collection<CommonEffortItem> commonEffortItems
= commonEffortItemRepository.findAll();

var result = new AvailableEffortItems();

assignments.forEach( p ->
result.addItem(ASSIGNED_PROJECT,p.getEffortItemId(), p.getName()));

commonProjects.forEach( p ->
result.addItem(COMMON_PROJECT, p.getEffortItemId(), p.getName()));

commonEffortItems.forEach( i ->
result.addItem(COMMON_ITEM, i.getEffortItemId(), i.getName()));

return result;
}
}

这个服务的算法是分别从数据库进行三次查询,查出分配给这个员工的项目、不需要分配人员的项目(也就是通用项目)以及普通工时项。然后分别利用它们的工时项ID名称,构造查询结果。

查询工时项的改进

现在我们想一想,这段代码还有什么改进空间。

这段代码的问题是,从 29 行到 36 行非常相似,似乎可以抽取出来。那么我们就试着抽一下。变成了下面的样子。

1
2
3
4
5
6
7
8
9
10
11
12
13
14
15
16
17
18
19
20
21
22
23
24
25
26
27
28
29
30
31
32
33
34
35
36
37
package chapter26.unjuanable.application.effortmng;

// imports ...

@Service
public class EffortService {
// 仓库和构造器没有变化 ...

public AvailableEffortItems findAvailableEffortItems(Long empId) {
Collection<Project> assignments
= projectRepository.findAssignmentsByEmpId(empId);
Collection<Project> commonProjects
= projectRepository.findCommonProjects();
Collection<CommonEffortItem> commonEffortItems
= commonEffortItemRepository.findAll();

var result = new AvailableEffortItems();

//使用抽取出的方法
appendResult(ASSIGNED_PROJECT, assignments, result);
appendResult(COMMON_PROJECT, commonProjects, result);

//由于类型不匹配,不能使用抽取的方法
commonEffortItems.forEach( i ->
result.addItem(COMMON_ITEM, i.getEffortItemId(), i.getName()));

return result;
}

// 抽取出的公共方法
private void appendResult(AvailableEffortItems.ItemType type
, Collection<Project> items
, AvailableEffortItems result) {
items.forEach(p ->
result.addItem(type, p.getEffortItemId(), p.getName()));
}
}

只有存放项目的 Collection,也就是 assignments 和 commonProjects ,才能使用抽出的公共方法 appendResult(),而 commonEffortItems 则无法使用。这是因为它的类型不是 Collection<Project>,而是 Collection<CommonEffortItem>,不符合 appendResult() 的签名。

那么,怎么让 commonEffortItems 也能使用这个公共的方法呢?

由于 Project 和 CommonEffortItem 都是EffortItem 的子类,所以我们可以利用泛型的技巧来解决。

1
2
3
4
5
6
7
8
9
10
11
12
13
14
15
16
17
18
19
20
21
22
23
24
25
26
27
28
29
30
31
32
33
34
package chapter26.unjuanable.application.effortmng;

// imports ...

@Service
public class EffortService {
// 仓库和构造器没有变化 ...

public AvailableEffortItems findAvailableEffortItems(Long empId) {
Collection<Project> assignments
= projectRepository.findAssignmentsByEmpId(empId);
Collection<Project> commonProjects
= projectRepository.findCommonProjects();
Collection<CommonEffortItem> commonEffortItems
= commonEffortItemRepository.findAll();

var result = new AvailableEffortItems();

appendResult(ASSIGNED_PROJECT, assignments, result);
appendResult(COMMON_PROJECT, commonProjects, result);

//commonEffortItems 也可以使用公共方法了
appendResult(COMMON_ITEM, commonEffortItems, result);

return result;
}

private void appendResult(AvailableEffortItems.ItemType type
, Collection<? extends EffortItem> items //使用通配符
, AvailableEffortItems result) {
items.forEach(p ->
result.addItem(type, p.getEffortItemId(), p.getName()));
}
}

我们在 29 行使用类型通配符,这样就可以像 23 行那样使用公共方法了。如果你不是 Java 背景的话,可以忽略这个技巧。只需要知道由于接口 EffortItem 的存在,我们可以更方便地抽取公共逻辑就可以了。

最后,可以利用“内联”的重构手法,去除多余的局部变量定义,把代码再简化一点。

1
2
3
4
5
6
7
8
9
10
11
12
13
14
15
16
17
18
19
20
21
22
23
24
25
26
27
28
29
package chapter26.unjuanable.application.effortmng;
//imports ...

@Service
public class EffortService {
// 仓库和构造器没有变化 ...

public AvailableEffortItems findAvailableEffortItems(Long empId) {

var result = new AvailableEffortItems();

// 用"内联"重构,去除多余的局部变量
appendResult(ASSIGNED_PROJECT
, projectRepository.findAssignmentsByEmpId(empId)
, result);

appendResult(COMMON_PROJECT
, projectRepository.findCommonProjects()
, result);

appendResult(COMMON_ITEM
, commonEffortItemRepository.findAll()
, result);

return result;
}

// 其他部分不变 ...
}

这样,我们就完成了关于工时项的例子。正如我们在上节课讲的,这种实现方式要查询三遍数据库,在性能方面还有改进余地。我们会在第三个迭代解决。

为“每个类一个表”编码

在工时项的例子里,我们采用的数据库设计策略是“每个子类一个表”。这种策略下,聚合的持久化和之前的做法变化并不大,所以仓库里有关增加和修改的代码我们就没有列出来了。

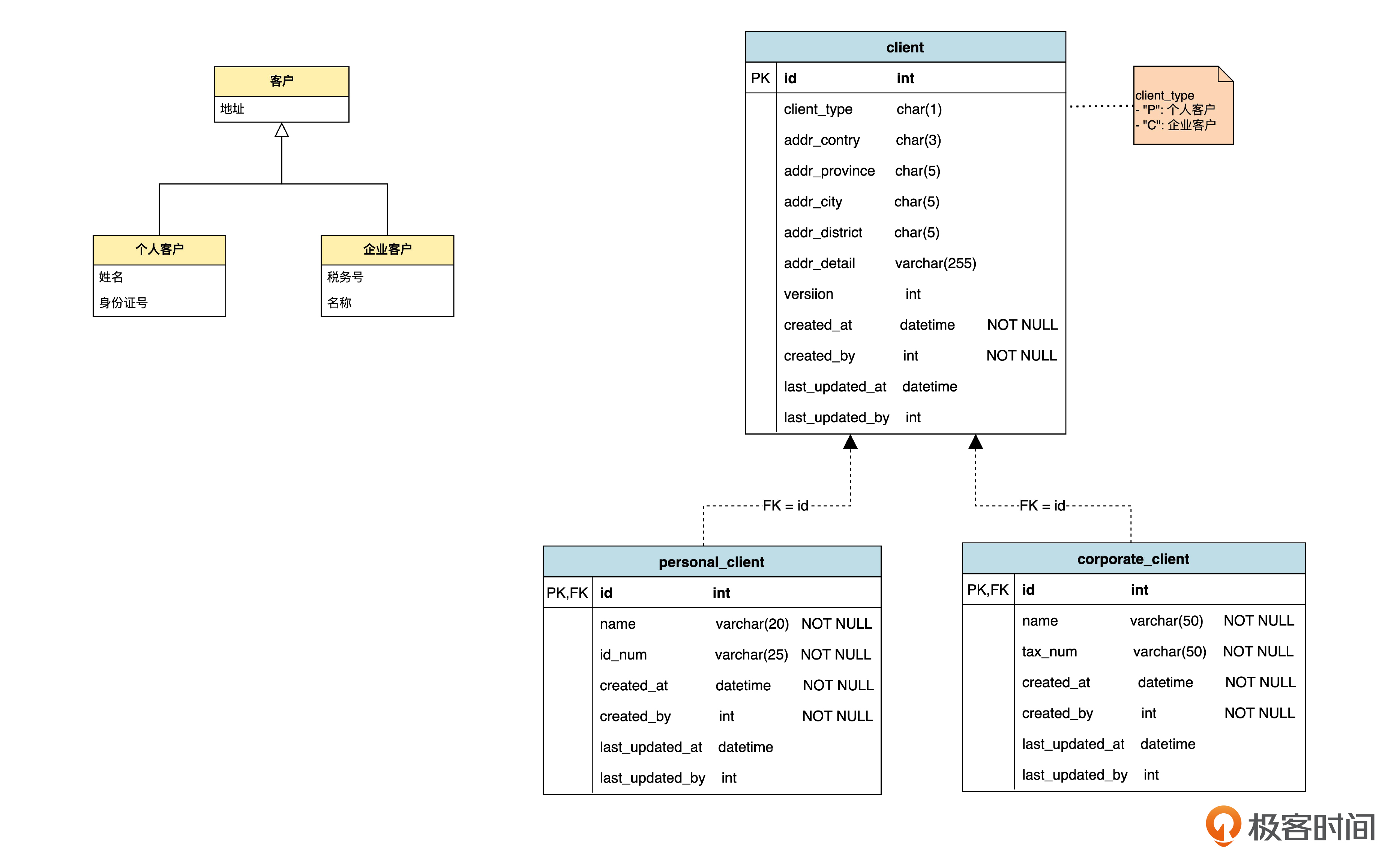
而对于“每个类一个表”,也就是为父类也建表的情况下,仓库的逻辑会更复杂一些。我们用[上节课]举过的个人客户和企业客户的例子来说明一下。

先回顾一下领域模型和表结构。

这里为父类和各个子类各建了一张表,并且采用“共享主键”的策略。

下面看看领域对象的代码。首先是父类 Client。

1
2
3
4
5
6
7
8
9
10
11
12
13
14
package chapter26.partysample.domain.client;
// imports ...

public abstract class Client extends AggregateRoot {
private Long id;
private Address address;

// constructors ...

public abstract String getClientType();

// other getters and setters ...

}

关于这个父类,有三个要点需要留意。

首先,我们从第 4 行可以看到,Client(客户)类是一个抽象类,因为一个抽象的客户是不能实例化的,只有实例化具体的个人或企业客户才有意义。此外,Client 是聚合根的子类,这就意味着它的所有子类也是聚合根。

第二,从第 6 行看到,Address 是一个值对象。而对应的表是把各个地址的属性打散的,也就是我们之前提过的“嵌入”的方法。我们之前也说过,内存中的对象和数据库表的布局不一致的情况,称为“阻抗不匹配”,要通过仓库(repository)来进行转换。

第三,在数据库表里有一个 client_type 来区分是哪个子类。这个字段有两个可选值:“P” 代表个人客户,“C” 代表企业客户。那么这两个值在程序里定义在哪里呢?

一种方法是在 Client 父类里用枚举或字符串常量来定义。但这样的话,如果将来又多一个子类,就要改变 Client 或枚举的定义,这就违反了“开闭原则”。所以我们现在在父类里只定义了一个抽象方法,也就是第 10 行的 getClientType(),由子类去实现。

我们继续看子类 CorporateClient (企业客户)的代码。

1
2
3
4
5
6
7
8
9
10
11
12
13
14
15
16
package chapter26.partysample.domain.corporateclient;
// import ...

public class CorporateClient extends Client {
public static final String CLIENT_TYPE_CORPORATE = "C";

private String name;
private String taxNum;

// constructors, setters and getters ...

@Override
public String getClientType() {
return CLIENT_TYPE_CORPORATE;
}
}

这个子类里包含企业客户独有的字段。另外,我们用一个常量写出了企业客户的 clientType 值,并通过 getClientType() 返回,这个常量在后面还会用到。

个人客户(PersonalClient)子类的实现方法也类似,就不列出来了。

下面我们重点看仓库的代码。CorporateClient 和 PersonalClient 各有一个对应的仓库。我们只看 CorporateClient 的仓库就可以了。

1
2
3
4
5
6
7
8
9
10
11
12
13
14
15
16
17
18
19
20
21
22
23
24
25
26
27
28
29
30
31
32
33
34
35
36
37
38
39
40
41
42
43
44
45
46
47
48
49
50
51
52
53
54
package chapter26.partysample.adapter.driven.persistence;
// imports ...

@Repository
public class CorporateClientRepositoryJdbc
implements CorporateClientRepository {

final ClientDao clientDao;
final CorporateClientDao corporateClientDao;

// 用构造器注入 DAO
@Autowired
public CorporateClientRepositoryJdbc(ClientDao clientDao
, CorporateClientDao corporateClientDao) {
this.clientDao = clientDao;
this.corporateClientDao = corporateClientDao;
}

@Override
public boolean save(CorporateClient corporateClient) {
switch (corporateClient.getChangingStatus()) {
case NEW:
addCorporateClient(corporateClient);
break;
case UPDATED:
if (!updateCorporateClient(corporateClient)) {
return false;
}
break;
}
return true;
}

private void addCorporateClient(CorporateClient client) {
clientDao.insert(client);
corporateClientDao.insert(client);
}

private boolean updateCorporateClient(CorporateClient client) {
if (clientDao.update(client)) {
corporateClientDao.update(client);
return true;
} else {
return false;
}
}


@Override
public Optional<CorporateClient> findById(Long id) {
CorporateClient client = corporateClientDao.selectById(id);
return Optional.ofNullable(client);
}
}

先看一下第 8 行和 9 行。有没发现这里的写法和之前的迭代(例如[第10节课])不太一样。之前,我们是把 JdbcTemplate 和 SimpleJdbcInsert 直接注入到仓库。现在我们注入的是 DAO,也就是“数据访问对象”。每个 DAO 对应一个表。JdbcTemplate 和 SimpleJdbcInsert 注入到了DAO,由 DAO 直接访问数据库。这种做法能使程序的关注点更加分离。

也有人喜欢把 XxxDAO 命名为 XxxTable,这样更能表明和表的一一对应关系。要是使用 MyBatis 的话,可以按习惯命名为 XxxMappter,前提是规定每个表对应一个 Mapper。如果用JPA则没有必要用 DAO 了,因为 DAO 做的事情都被底层框架自动化了。

第 20 行的 save() 方法和之前的做法没有区别,都是根据数据是否有变化,再决定是新增还是修改。

第 34 行 addCorporateClient() 是向数据库新增企业客户,调用 DAO 分别插入 client 和 coperate_client 两个表。这里发生了内存中的一个对象向数据库里两个表的转换。

第 39 行 updateCorporateClient() 用于修改企业客户。首先修改 client 表。这里实际上用了之前学过的乐观锁的判断,没有被别人并发地抢先修改,才继续修改 corporate_client 表。也就是说,在这个泛化体系中,是在父类的表上加乐观锁,同时就把子类也锁住了。这和之前工时项不同。

第 50 行 findById() 是查询,主要逻辑在DAO里。

接下来我们就看一下 DAO。首先是 ClientDao。

1
2
3
4
5
6
7
8
9
10
11
12
13
14
15
16
17
18
19
20
21
22
23
24
25
26
27
28
29
30
31
32
33
34
35
36
37
38
39
40
41
42
43
44
45
46
47
48
49
50
51
52
53
54
55
56
57
58
59
package chapter26.partysample.adapter.driven.persistence;
// imports ...

@Component
public class ClientDao {
final JdbcTemplate jdbc;
final SimpleJdbcInsert insert;

@Autowired
public ClientDao(JdbcTemplate jdbc) {
// 注入 JdbcTemplate, 初始化 SimpleJdbcInsert ...
}

public void insert(Client client) {
Address address = client.getAddress();

Map<String, Object> parms = Map.of(
"client_type", client.getClientType()
, "addr_country", address.getCountry()
, "addr_province", address.getProvince()
, "addr_city", address.getCity()
, "addr_district", address.getDistrict()
, "addr_detail", address.getDetail()
, "version", 1L
, "created_at", client.getCreatedAt()
, "created_by", client.getCreatedBy()
);

Number createdId = insert.executeAndReturnKey(parms);
forceSet(client, "id", createdId.longValue());
}

public boolean update(Client client) {
Address address = client.getAddress();
String sql = "update client "
+ " set version = version + 1 "
+ ", addr_country =? "
+ ", addr_province =? "
+ ", addr_city =? "
+ ", addr_district =? "
+ ", addr_detail =? "
+ ", last_updated_at =?"
+ ", last_updated_by =? "
+ " where id = ? and version = ?";

int affected = jdbc.update(sql
, address.getCountry()
, address.getProvince()
, address.getCity()
, address.getDistrict()
, address.getDetail()
, client.getLastUpdatedAt()
, client.getLastUpdatedBy()
, client.getId()
, client.getVersion());

return affected == 1;
}
}

这段代码有几个地方可以注意一下。

在 14 行 insert() 方法里,我们可以看到值对象 address 是怎样以内嵌的方式转化成表数据的。在第 29 行插表的过程中取得 id。由于我们采用了共享主键的策略,所以只在这里取一次主键,插 corporate_client 和 personal_client 的时候就直接用这个 id 了。

第 18 行,调用 getClientType(),这里你可以再体会一下之前说的开闭原则。

第 35 行的 update() 方法中,可以看到对乐观锁的实现。

还有一点,实际上,ClientDao 不仅仅会被企业客户的 CorporateClientRepositoryJdbc 调用,也会被个人客户的 PersonalClientRepositoryJdbc 所调用。这说明,分离关注点提高了程序的可复用性。

最后,我们看看用于企业客户表的CorporateClientDao。

1
2
3
4
5
6
7
8
9
10
11
12
13
14
15
16
17
18
19
20
21
22
23
24
25
26
27
28
29
30
31
32
33
34
35
36
37
38
39
40
41
42
43
44
45
46
47
48
49
50
51
52
53
54
55
56
57
58
59
60
61
62
63
package chapter26.partysample.adapter.driven.persistence;
// imports ...

@Component
public class CorporateClientDao {

final JdbcTemplate jdbc;
final SimpleJdbcInsert insert;

@Autowired
public CorporateClientDao(JdbcTemplate jdbc) {
// 注入 JdbcTemplate 并初始化 SimpleJdbcInsert ...
}

void insert(CorporateClient client) {
// 插入 corporate_client 表 ...
}

void update(CorporateClient client) {
// 插入 corporate_client 表 ...
}

CorporateClient selectById(Long id) {
String sql = " select c.version"
+ ", c.addr_country"
+ ", c.addr_province"
+ ", c.addr_city"
+ ", c.addr_district"
+ ", c.addr_detail"
+ ", cc.name"
+ ", cc.tax_num"
+ ", cc.created_at"
+ ", cc.created_by"
+ ", cc.last_update_at"
+ ", cc.last_updated_by "
+ " from client as c"
+ " left join corporate_client as cc"
+ " on c.id = cc.id "
+ " where c.id = ? and c.client_type = ? ";


CorporateClient client = jdbc.queryForObject(sql,
(rs, rowNum) -> {
Address address = new Address(
rs.getString("addr_country")
, rs.getString("addr_province")
, rs.getString("addr_city")
, rs.getString("addr_district")
, rs.getString("addr_detail")
);
return new CorporateClient(id
, rs.getString("name")
, rs.getString("tax_num")
, address
, rs.getTimestamp("created_at").toLocalDateTime()
, rs.getLong("created_by")
, rs.getLong("last_updated_by")
, rs.getTimestamp("last_updated_at").toLocalDateTime());
},
id, CLIENT_TYPE_CORPORATE);
return client;
}
}

这里 23 行 selectById() 方法值得讲一下,用于从数据库里查询出 CorporateClient 对象。

首先,从 24 行开始,我们用了一个连表查询,同时查 client 和 corporate_client 表,因为CorporateClient 对象的内容整体上来自于这两个表。

那么既然是查询两个表,这个逻辑应该放在 ClientDao 还是放在 CorporateClientDao 呢?

我们可以从两个角度来思考。第一个角度是,从 selectById() 的返回值可以看到,这个方法目的就是返回 CorporateClient ,那么放在 CorporateClientDao 里,在含义上更顺畅,或者说,程序员更容易凭常理推断出这个逻辑放在哪里。

第二个角度是,如果放在 ClientDao 的话,那么当我们增加关于 PersonalClient(个人客户)的逻辑时,也要类似地改 ClientDao 这个类。而如果放在 CorporateClientDao 的话,就意味着增加 PersonalClient 逻辑时,只需要把连表查询逻辑写在PersonalClientDao里面,而不需要修改 ClientDao 类。也就是说,这种方法更符合开闭原则

所以,最终这个连表查询的逻辑,我们写在了 CorporateClientDao 里。

第 43 行开始的数据库数据向内存对象的转换逻辑里,包含了内嵌在数据表里的地址数据向 address 值对象的转换。

第 60 行的 CLIENT_TYPE_CORPORATE 实际上是定义在 CorporateClient 里的。由于这时候 CorporateClient 对象还不存在,不能用对象层面的 getClientType()方法,只能使用在类的层面定义的常量。

顺便说一下,在 Repository 里,我们用 save 和 findByXxx 这样的方式为方法命名。而在 DAO 中用 insert、 update、 selectByXxx 这样的方式命名,目的是更接近SQL语句中的命名。这样也把两个层面的代码更好地区分开。

总结

好,这节课的主要内容就讲到这,我们来总结一下。

今天我们讨论的是泛化的代码实现。主要抓住两个点:一是领域对象的代码采用类的继承或接口的实现;二是用仓库实现内存中的对象和数据库表中的数据之间的双向转换。

由于在领域建模时,虽然仍然反映的是业务概念,但架构师已经刻意使模型更容易和代码设计保持一致了,所以代码直接用继承或接口实现就可以。

但是,到底用类继承还是接口实现,则要根据具体情况而定。今天工时项的例子用的就是接口实现,而客户的例子用的则是类的实现。而如果我们在写代码的时候,发现用继承或接口实现都不合适,就应该反过来修改领域模型。

在数据库设计上,工时项的例子用的是“一个子类一个表”的策略,这种策略的仓库实现起来相对简单。

而客户的例子用的是“每个类一个表”的策略,由于每个实体都牵涉到两张表,所以实现相对要复杂一些。但是,这种复杂性被仓库屏蔽掉了,除了仓库以外,代码的其他部分看不到这些复杂性。从另一个角度来说,如果数据库设计的策略改了,比如由“每个子类一个表”改成了“每个类一个表”,那么,理论上只需要修改仓库就可以了。

我们今天还讲了用仓库对嵌入式的值对象进行转换的方法。同时在代码设计上,还考虑了开闭原则,也就是“对增加打开,对修改关闭”。

思考题

我给你准备了两道思考题。

1.在工时项的例子里,子类共用的字段只有一个工时项ID,这时用接口实现问题不大。但是,如果共用的字段比较多,今天的做法就会导致较多的代码重复,在 Java 这种单继承语言的限制下,有什么更好的办法呢?

2.在最后一段代码的 51 行创建 CorporateClient 的时候,构造器字段比较多,不是太整洁,有什么更好的办法改进呢?

好,今天的课程结束了,有什么问题欢迎在评论区留言。下节课,我们开始第三个迭代,敬请期待。